常德市应急和安全生产委员会办公室关于2025年1至11月份全市生产安全事故情况的通报
各县市区,柳叶湖旅游度假区、西湖和西洞庭管理区,市直有关单位:
现将2025年1至11月份全市生产安全事故情况通报如下:
一、事故情况
据初步统计,1至11月份全市共发生各类生产安全事故82起,死亡92人(道路运输业事故60起,死亡61人;烟花爆竹事故1起,死亡9人;化工事故1起,死亡1人;工程建设事故12起,死亡12人;工贸事故1起,死亡1人;工商贸其他事故1起,死亡1人;其他事故6起,死亡7人),受伤41人,直接经济损失7274.5万元,同比事故起数减少12起下降12.8%,死亡人数同比减少15人下降14.0%,受伤人数同比增加7人上升20.6%,直接经济损失同比增加1148万元上升18.7%。发生1起较大事故。
剔除道路运输事故后,1至11月份其他行业发生事故22起死亡31人,同比分别下降4.3%、上升6.9%;11月份发生事故3起,死亡3人,去年同期无事故。
(一)各行业(领域)事故分布情况
1至11月份,煤矿、金属非金属矿山、农业机械、水上运输、铁路运输、渔业船舶等行业领域未发生生产安全事故,安全形势总体平稳。
1.道路运输:(根据应急管理部门统计口径)60起,死亡61人(其中涉及本地生产经营类车辆事故30起,死亡30人),同比分别下降15.5%、21.8%。
2.烟花爆竹:1起,死亡9人,同比分别下降50%、上升200%。
3.化工与危险化学品:1起,死亡1人,去年同期无
3.工程建设:12起,死亡12人,同比均上升33.3%。
4.工矿商贸:2起,死亡2人(其中工贸机械事故1起,死亡1人;工商贸其他事故1起,死亡1人),同比分别下降60%、66.7%。
5.其他:6起,死亡7人,同比均持平。
注:各行业(领域)事故按国民经济行业经济分类所属行业归口统计,事故责任划分以事故调查报告结论为准。
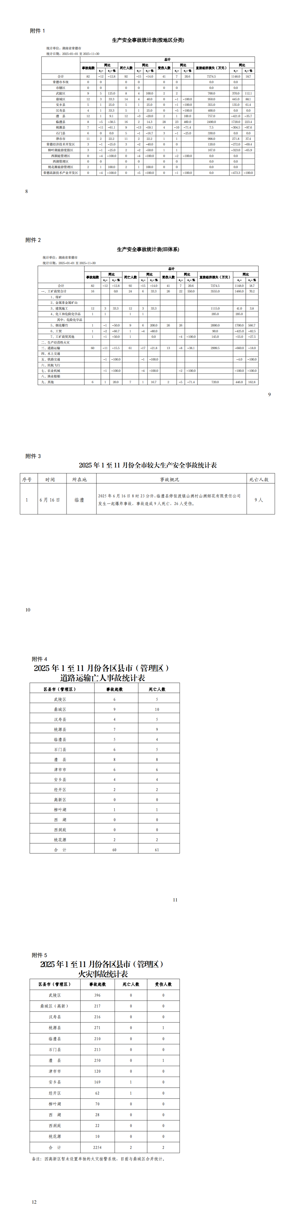
(二)区县市(单位)事故分布情况
武陵区:9起,死亡8人(道路运输事故6起,死亡5人;工程建设事故3起,死亡3人),同比分别上升125%、100%
鼎城区:12起,死亡14人(道路运输事故9起,死亡10人;工程建设事故1起,死亡1人;工贸事故1起,死亡1人;其他事故1起,死亡2人),同比分别上升33.3%、40%
安乡县:5起,死亡5人(道路运输事故4起,死亡4人;工程建设事故1起,死亡1人),同比均上升66.7%
汉寿县:4起,死亡5人(为道路运输事故),同比分别上升33.3%、25%
临澧县:8起,死亡16人(烟花爆竹事故1起,死亡9人;道路运输事故5起,死亡4人;工程建设事故1起,死亡1人;其他事故1起,死亡2人),同比分别下降38.5%、上升14.3%
澧 县:12起,死亡12人(道路运输事故8起,死亡8人;工程建设事故1起,死亡1人;工商贸其他事故1起,死亡1人;其他事故2起,死亡2人),同比分别上升9.1%、下降20%
桃源县:7起,死亡9人(均为道路运输事故),同比分别下降61.1%、59.1%
石门县:6起,死亡5人(均为道路运输事故),同比持平、下降16.7%
津市市:11起,死亡11人(道路运输事故6起,死亡6人;工程建设事故3起,死亡3人;化工事故1起,死亡1人;其他事故1起,死亡1人),同比均上升22.2%
常德经济技术开发区:3起,死亡3人(道路运输事故2起,死亡2人;工程建设事故1起,死亡1人),与去年同期分别下降25%、40%
桃花源旅游度假区:2起,死亡2人(均为道路运输事故),同比均上升100%
柳叶湖旅游度假区:3起,死亡2人(道路运输事故1起,死亡1人;工程建设事故1起,死亡1人;文旅事故1起,1人受伤),同比分别下降50%、75%
常德高新技术产业开发区、西洞庭管理区、西湖管理区1至11月份未发生生产安全事故。
注:跨行政区域的过境高速公路事故和铁路事故,只按照属地原则由事故发生地县级单位归口统计录入,不纳入年度安全生产工作考核。
(三)各区县市事故统计直报情况
1至11月份,全市各类生产安全事故7天直报率仅为57.3%,澧县(7起)、桃源县(5起)、汉寿县(4起)、石门县(3起)、津市市(3起)、安乡县(3起)、武陵区(3起)、鼎城区(2起)、临澧县(2起)、经开区(1起)、柳叶湖(1起)、桃花源(1起)未按规定及时录入上报,影响了全市事故统计直报率。其中:
全市工矿商贸事故统计7天直报率为95.5%。武陵区有一起事故未按规定及时录入上报。
全市道路运输事故统计7天直报率仅为43.33%。全市各区县市普遍道路交通事故直报率低于80%,需制定措施有效提升统计直报率;
11月份,全市各类生产安全事故7天直报率为100%,7起事故均及时按照要求录入直报系统。
二、市级事故调查及处理情况(不含道路运输和铁路运输)
武陵区
常德武陵新河水系“11·26”一般窒息事故正在调查中
鼎城区
鼎城许家桥“8·24”一般触电事故正在调查中(省级挂牌)
津市市
常德津市湖南经世新材料有限责任公司“8·15”一般窒息事故调查已结案
桃源县
常德桃源“2·24”一般道路交通事故待批复中(省级挂牌)
汉寿县
常德汉寿湖南新友建能源有限公司“10·8”一般火灾事故正在调查中
三、形势分析
截至目前,全市安全生产状况保持稳定态势,事故起数和死亡人数保持“双下降”,整体形势平稳可控。道路交通领域仍是事故的主要发生领域,目前全市82起生产安全事故中,有60起为道路运输事故,占比73.17%,随着年终生产经营活动频繁、人流物流车流增多,道路交通领域安全形势面临严峻考验。同时在工程建设领域,涉及外包作业、小散工程安全管理责任不清晰、“以包代管”等问题依然存在,部分小微企业主体责任悬空,全员安全生产责任制未真正落实,安全基础薄弱的问题尤为凸显。
当前正值岁末年初生产经营高峰期,赶工期、抢进度、超负荷运转等现象易发多发,加之人员流动与交通运输显著增加,安全生产形势严峻复杂。同时随着天气转凉,秋冬用暖用火用电量激增,极易引发火灾事故。
四、工作建议
(一)扛牢政治责任,确保安全形势稳定。全市各级各部门要深入贯彻落实习近平总书记关于应急管理、安全生产和防灾减灾救灾的重要指示精神,牢固树立安全发展理念,始终坚持人民至上、生命至上,切实增强“时时放心不下”的责任感和“一失万无”的危机意识。要严格落实党委政府安全生产责任,持续深化隐患排查整治,以更高标准、更严要求、更实举措防范化解安全风险,坚决筑牢安全生产防线。必须深刻汲取事故教训,进一步压紧压实各方责任,严格落实安全防范措施,推动企业将安全生产责任贯穿到每个环节、每个岗位和每名员工,切实扛牢“促发展、保安全”的政治责任,全力维护全市安全稳定大局。
(二)加强风险防控。深刻吸取事故教训。以案为鉴,对今年以来的生产安全事故进行全面复盘,深刻吸取临澧“6·16”烟花事故教训,认真落实排查整改,严格对照省市文件明确的各类排查整治重点,全覆盖、“过筛子”式地排查整治烟花行业存在的突出问题和顽瘴痼疾,依法依规、从严从紧进行监管执法。严格打非治违,强化企业管理,督促指导企业严格执行安全生产规章制度和操作规程,提升企业管理制度化、规范化水平。认真落实各行业安全监管职责,紧盯非煤矿山、危化、烟花、工程建设、工贸、消防等领域,全面排查整治各类安全隐患。
(三)强化值班值守,夯实应急救援基础。各级各部门要切实强化风险意识和应急准备,全面加强值班值守与应急救援工作。严格执行领导干部在岗带班、关键岗位24小时值班及事故信息报告制度,确保指挥联络畅通、信息报送及时准确。各级应急救援力量要保持备勤状态,聚焦重点领域、重要部位和相关重大活动,前置救援资源,优化应急预案,加强装备维护和实战演练。同时,要密切关注舆情动态,及时核实处置、主动发声引导,确保一旦发生险情能够快速响应、高效处置、科学救援,全力保障人民群众生命财产安全和社会稳定。
附件:1.2025年1至11月份各区县市(管理区)生产安全事故情况统计表
2.2025年1至11月份各行业生产安全事故情况统计表
3.2025年1至11月份全市较大生产安全事故统计表
4.2025年1至11月份各区县市(管理区)道路运输亡人事故统计表
5.2025年1至11月份各区县市(管理区)火灾事故统计表
常德市应急和安全生产委员会办公室
2025年12月25日





用户登录
还没有账号?
立即注册