常德市应急和安全生产委员会办公室关于2025年全市生产安全事故情况的通报
各县市区应安委会,常德经济技术开发区,柳叶湖旅游度假区、西湖和西洞庭管理区应安委会,市直有关单位:
现将2025年全市生产安全事故情况通报如下:
一、事故情况
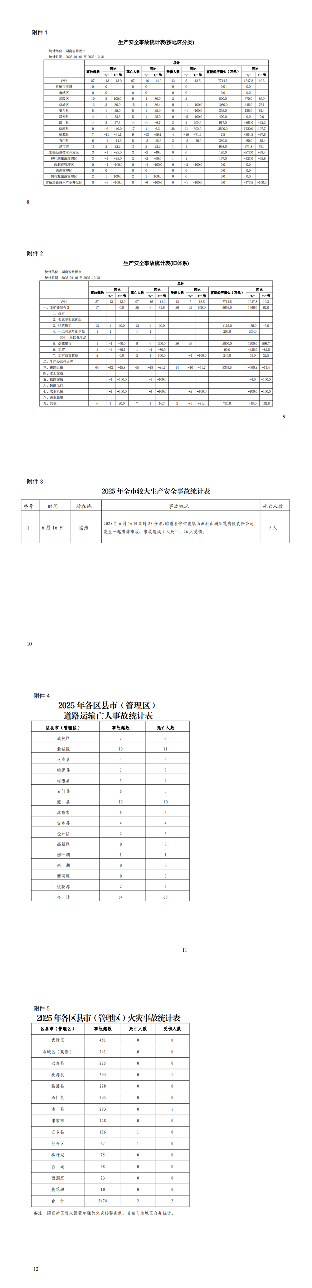
据初步统计,2025年全市共发生各类生产安全事故87起,死亡97人(道路运输业事故64起,死亡65人;烟花爆竹事故1起,死亡9人;化工事故1起,死亡1人;工程建设事故12起,死亡12人;工贸事故1起,死亡1人;工商贸其他事故2起,死亡2人;其他事故6起,死亡7人),受伤42人,直接经济损失7714.5万元,同比事故起数减少13起下降13%,死亡人数同比减少16人下降14.2%,受伤人数同比增加5人上升13.5%,直接经济损失同比增加1247.8万元上升19.3%。发生1起较大事故。
剔除道路运输事故后,2025年其他行业发生事故23起死亡32人,同比分别下降4.2%、上升6.7%;12月份发生事故1起,死亡1人,去年同期无事故。
(一)各行业(领域)事故分布情况
2025年,煤矿、金属非金属矿山、农业机械、水上运输、铁路运输、渔业船舶等行业领域未发生生产安全事故,安全形势总体平稳。
1.道路运输:(根据应急管理部门统计口径)64起,死亡65人(其中涉及本地生产经营类车辆事故37起,死亡38人),同比分别下降15.8%、21.7%。
2.烟花爆竹:1起,死亡9人,同比分别下降50%、上升200%。
3.化工与危险化学品:1起,死亡1人,去年同期无。
3.工程建设:12起,死亡12人,同比均上升33.3%。
4.工矿商贸:3起,死亡3人(其中工贸机械事故1起,死亡1人;工商贸其他事故2起,死亡2人),同比分别下降40%、50%。
5.其他:6起,死亡7人,同比分别上升20%、16.7%。
注:各行业(领域)事故按国民经济行业经济分类所属行业归口统计,事故责任划分以事故调查报告结论为准。
(二)区县市(单位)事故分布情况
武陵区:10起,死亡9人(道路运输事故7起,死亡6人;工程建设事故3起,死亡3人),同比分别上升100%、80%。
鼎城区:13起,死亡15人(道路运输事故10起,死亡11人;工程建设事故1起,死亡1人;工贸事故1起,死亡1人;其他事故1起,死亡2人),同比分别上升30%、36.4%。
安乡县:5起,死亡5人(道路运输事故4起,死亡4人;工程建设事故1起,死亡1人),同比均上升25%。
汉寿县:4起,死亡5人(为道路运输事故),同比分别上升33.3%、25%。
临澧县:9起,死亡17人(烟花爆竹事故1起,死亡9人;道路运输事故5起,死亡4人;工程建设事故1起,死亡1人;其他事故1起,死亡2人),同比分别下降40%、上升6.3%。
澧 县:14起,死亡14人(道路运输事故10起,死亡10人;工程建设事故1起,死亡1人;工商贸其他事故1起,死亡1人;其他事故2起,死亡2人),同比分别上升27.3%、下降6.7%。
桃源县:7起,死亡9人(均为道路运输事故),同比分别下降61.1%、59.1%。
石门县:6起,死亡5人(均为道路运输事故),同比下降14.3%、下降28.6%。
津市市:11起,死亡11人(道路运输事故6起,死亡6人;工程建设事故3起,死亡3人;化工事故1起,死亡1人;其他事故1起,死亡1人),同比均上升22.2%。
常德经济技术开发区:3起,死亡3人(道路运输事故2起,死亡2人;工程建设事故1起,死亡1人),与去年同期分别下降25%、40%。
桃花源旅游度假区:2起,死亡2人(均为道路运输事故),同比均上升100%。
柳叶湖旅游度假区:3起,死亡2人(道路运输事故1起,死亡1人;工程建设事故1起,死亡1人;文旅事故1起,1人受伤),同比分别下降25%、50%。
常德高新技术产业开发区、西洞庭管理区、西湖管理区2025年未发生生产安全事故。
注:跨行政区域的过境高速公路事故和铁路事故,按照属地原则由事故发生地县级单位归口统计录入,不纳入年度安全生产工作考核。
(三)各区县市事故统计直报情况
2025年,全市各类生产安全事故7天直报率仅为56.32%,澧县9起、桃源县5起、汉寿县4起、石门县3起、津市市3起、安乡县3起、武陵区3起、鼎城区3起、临澧县2起、经开区1起、柳叶湖1起、桃花源1起未按规定及时录入上报,影响了全市事故统计直报率。其中:
全市工矿商贸事故统计7天直报率为95.5%。武陵区有一起工伤核查事故未按规定及时录入上报。
全市道路运输事故统计7天直报率仅为42.19%。全市各区县市普遍道路交通事故直报率低于80%,需制定措施有效提升统计直报率;
12月份,全市各类生产安全事故7天直报率为66.6%,鼎城区1起道路交通事故未及时录入直报系统。
二、市级事故调查及处理情况(不含道路运输和铁路运输)
武陵区:
常德武陵新河水系“11·26”一般窒息事故正在调查中。
鼎城区:
鼎城许家桥“8·24”一般触电事故调查已结束,省安委办审核中(省级挂牌)。
津市市:
常德津市湖南经世新材料有限责任公司“8·15”一般窒息事故已结案。
桃源县:
常德桃源“2·24”一般道路交通事故待批复中(省级挂牌)。
汉寿县:
常德汉寿湖南新友建能源有限公司“10·8”一般火灾事故已结案。
三、形势分析
(一)安全形势总体平稳。2025年,全年实现生产安全事故起数,死亡人数“双下降”,但少数重点行业事故仍呈多发态势,特别是烟花、化工、工程建设等领域事故同比上升,道路运输事故总量占比较大,对全市的安全生产工作产生不利影响。
(二)统计直报未完全落实。2025年,全市工矿商贸领域事故“7天直报率”为95.5%,全行业领域直报率为56.32%,其中有38起事故超过规定时限录入直报系统(37起为道路运输事故),全市各区县市普遍存在事故“迟报、漏报”现象,严重影响事故分析与风险研判时效性。
四、工作建议
(一)做好重点行业领域安全监管工作。为切实抓好岁末年初安全生产各项工作,各级各部门要紧盯春节等重点时段,聚焦道路运输、水上运输、渔业船舶、建筑施工、工贸、危化、消防等风险突出和事故多发行业领域,以发生的各类事故为典型,进一步剖析研判和复盘分析,深查、细查、严查已暴露和潜在的风险隐患,实施精准专项治理,严格落实风险管控措施,及时补齐短板弱项,切实防范化解重大安全风险,坚决防范遏制较大及以上事故发生。
(二)持续推进安全生产治本攻坚三年行动。目前“三年行动”已进入收官阶段,各级各部门要坚持力度不减、劲头不松,扎实开展排查整治重大安全隐患,有效运用关闭整顿、失信联合惩戒、约谈曝光等手段,加强重点行业、重点企业指导服,进一步督促企业落实主体责任,督促企业主要负责人定期组织排查重大事故隐患,用好隐患内部报告奖励制度,发动广大从业人员发现和报告事故隐患,切实提升隐患排查整治实效。
(三)规范事故信息报送。要切实提高政治站位,坚决严把事故信息报送质量关、时效关、责任关,严格遵循“24小时入库,七天内直报”的要求,第一时间收集、核实事故相关信息,信息首报要客观描述,杜绝主观臆断,有依据判定不是生产安全事故的,要描述清楚有真凭实据;对于一时无法核实的事项,待核实后在续报中进行上报,坚决杜绝迟报、漏报、错报、瞒报等问题。同时明确信息报送责任主体,细化报送流程,加强部门间信息联动与共享,对报送工作中出现的失职失责行为,将依法依规严肃追究相关单位和人员责任。
附件:1.2025年各区县市(管理区)生产安全事故情况统计表
2.2025年各行业生产安全事故情况统计表
3.2025年全市较大生产安全事故统计表
4.2025年各区县市(管理区)道路运输亡人事故统计表
5.2025年各区县市(管理区)火灾事故统计表
常德市应急和安全生产委员会办公室
2026年2月3日





用户登录
还没有账号?
立即注册